Odbojnik gumowy do rampy 450-200-100
Czas realizacji: 24h
Producent: Rolpol
Gwarancja: 2 lata
Odbojnik gumowy do rampy 450-200-100 jest zamówione i zostanie wysłane jak tylko pojawi się na stanie.
Nie udało się załadować dostępności odbioru
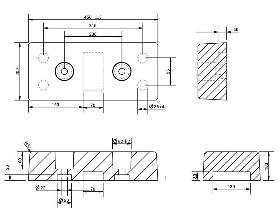
Odbój rampowy gumowy 450x200x100mm
Przeznaczone do ochrony czoła doku załadunkowego odboje gumowe rampowe o wymiarach 450x200x100 zapewniają bezpieczny i bezszkodowy podjazd samochodu ciężarowego do stanowiska rozładunku. Odboje do ramp chronią podjeżdżający samochód oraz elewacje budynku przed uszkodzeniem. Oferowany odbojnik rampowy wykonany jest z wysokiej jakości gumy, charakteryzujący się dużą odpornością na uszkodzenia mechaniczne wynikające z codziennego użytkowania odbojnika.
Oferowane odbojnice gumowe stanowią odpowiednik i mogą być stosowane jako zamienniki systemów Hormann oraz Promstahl. Montaż odbojników na dwie kotwy. Oferowany odbój gumowy do rampy jest produkcji polskiej. Odbojnice rampowe charakteryzują się wysoką jakością wykonania. Oferowane odbojnice gumowe nie pękają i nie kruszeją nawet po długim czasie użytkowania.
Specyfikacja techniczna odbojnika rampowego
| Długość odbojnika: | 450 mm |
| Szerokość odbojnika: | 200 mm |
| Wysokość odbojnika: | 100 mm |
| Rozstaw otworów montażowych: | 200 mm |
| Twardość odboju: | 65-70° Shore’a |
| Otwór na śrubę: | Ø 30 mm |
| Wgłębienie na nakrętkę: | Ø 60 mm |
Wyposażenie dodatkowe do gumowego odbojnika rampowego
Do oferowanych odbojników gumowych dojazdowych rampowych polecamy również płyty montażowe odbojników służące do montażu i szybkiej wymiany odbojnic. Montaż płyt polecany jest również w przypadku mocno zniszczonych elewacji. Na odbojniki rampowe proponujemy również montaż osłon stalowych, trójstronnie giętych, ocynkowanych, mających za zadanie zabezpieczyć odbojnik przed uszkodzeniami mechanicznymi, a tym samym wydłużyć jego żywotność. Płyty montażowe oraz osłony stalowe dostępne są w naszym sklepie.



