Zestaw do drzwi przesuwnych bramy samonośnej z rolkami profil 30x30 + 3 wózki
Czas realizacji: 24h
Producent: Zabi
Gwarancja: 2 lata
Zestaw do drzwi przesuwnych bramy samonośnej z rolkami profil 30x30 + 3 wózki jest zamówione i zostanie wysłane jak tylko pojawi się na stanie.
Nie udało się załadować dostępności odbioru
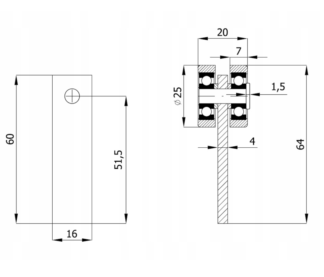
Wózek do profilu 30x30x2 (3 sztuki)
✅ Oferowane wózki wykonane są z trwałych i wytrzymałych materiałów co daje pewność wieloletniego i sprawnego funkcjonowania. Dostępne w ofercie wózki są ocynkowane, a dzięki temu zabezpieczone przed korozją. Zastosowanie poliamidowych kółek zapewnia cichą pracę.
Specyfikacja techniczna
- symbol : P-2T-30
- do profilu : 30x30x2
- dopuszczalne obciążenie : 30kg
- średnica rolek : 25mm
- typ rolek : 2x poliamidowa
- waga : 0,10kg
- ocynkowane: tak
- producent : Zabi (Polska)
Profil półzamknięty 30x30x2 - 2mb (1 sztuka)
✅ Wykonany z czarnej blachy o grubości ścianki 2mm i wymiarach 30x30mm. Oferowany ceownik półzamknięty może służyć do budowy bramy lub drzwi przesuwnych. Oferta dotyczy profili o długości 2m.
Specyfikacja :
- Wymiary profilu: 30x30mm
- Grubość ścianki: 2mm
- Szczelina: 10mm
- Waga: 3,3kg
- Długość: 2m
Zestaw zawiera jeden profil 30x30x2 o długości 2 metrów oraz trzy wózki na płaskowniku



