Wózek do bramy - 5 rolkowy, wahliwy (PROFIL 80x80x5mm) - WR-5M-80
Czas realizacji: 1-3 Dni
Producent: Zabi
Gwarancja: 2 lata
Wózek do bramy - 5 rolkowy, wahliwy (PROFIL 80x80x5mm) - WR-5M-80 jest zamówione i zostanie wysłane jak tylko pojawi się na stanie.
Nie udało się załadować dostępności odbioru
Wózek do bramy - 5 rolkowy, wahliwy (PROFIL 80x80x5mm) - WR-5M-80
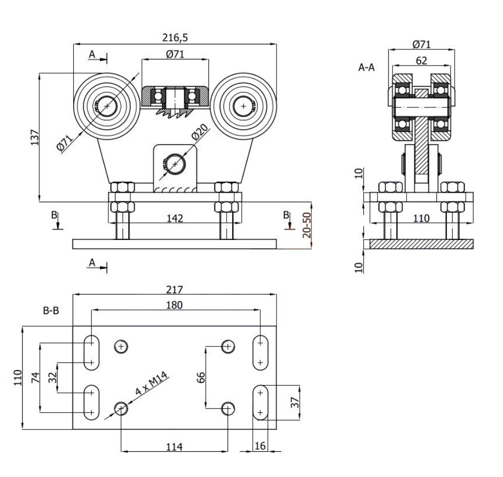
Oferowany 5 rolkowy, wahliwy wózek do bram przesuwnych z możliwością regulacji wysokości przeznaczony jest do profilu o wymiarach 80x80x5mm. Wózek o dopuszczalnym obciążeniu do 800kg posiada 4 rolki metalowe i 1 rolkę poliamidową.
Wózki do bram przesuwnych do profilu 80x80x5mm wykonane są z trwałych i wytrzymałych materiałów. Jest to gwarancją ich wieloletniego i sprawnego funkcjonowania. Dostępne w ofercie wózki bramowe są ocynkowane, a dzięki temu zabezpieczone przed korozją. Podstawa wózka do bram posiada 4 otwory podłużne które umożliwiają regulacje położenia. Montaż wózka bramowego odbywa się poprzez przyspawanie do konstrukcji metalowej bądź za pomocą śrub. Wózek posiada możliwość regulacji wysokości. Istnieje możliwość wymiany łożysk w rolkach.
Specyfikacja:
| średnica rolki: | 68.5mm |
| dopuszczalne obciążenie: | 800kg |
| wymiary profilu: | 80x80x5mm |
| waga: | 7,8kg |
| typ rolek: | 4x metalowa, 1x poliamidowa |

